FF225WKにソフトドームを組み合わせる
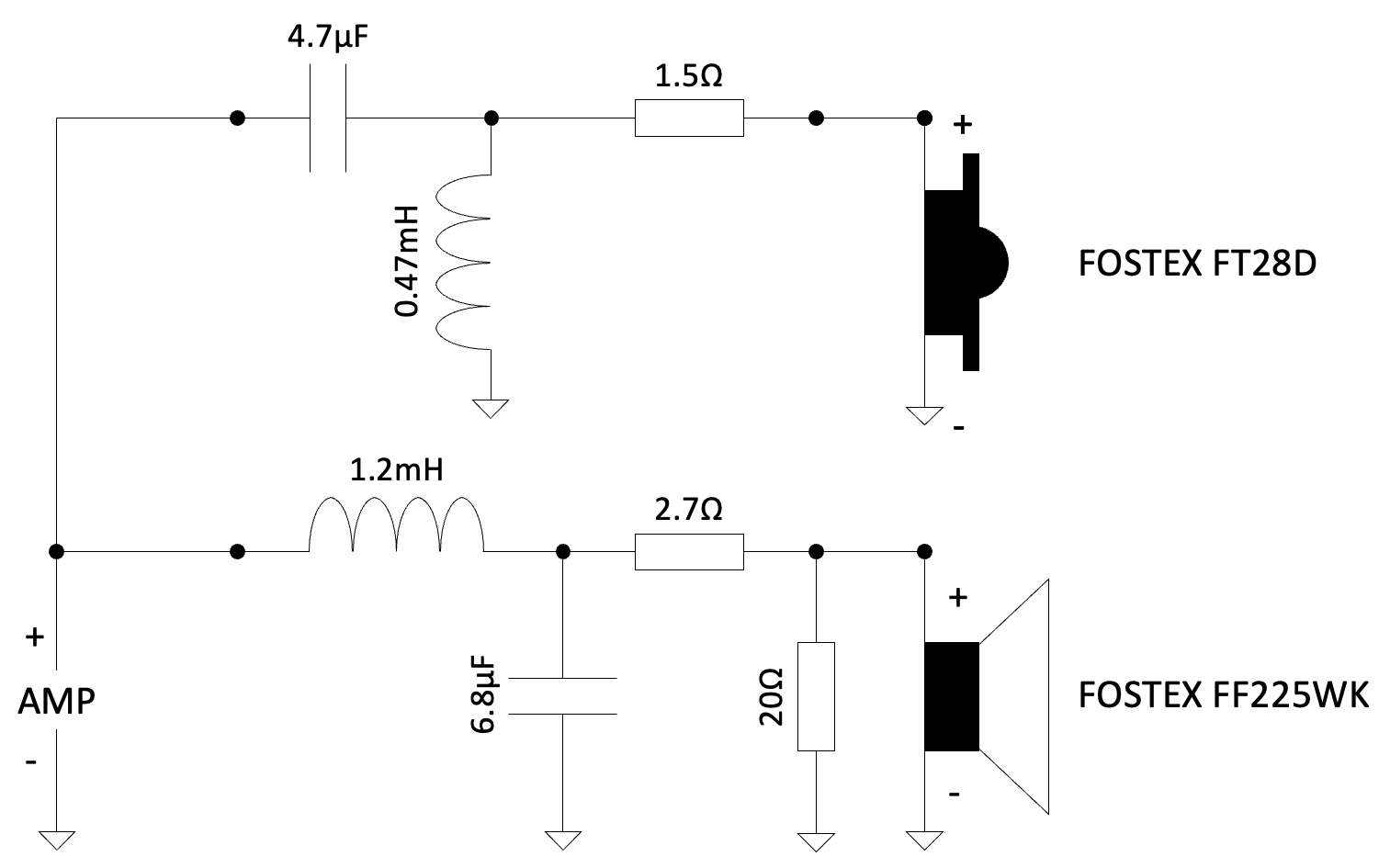
フルレンジの軽快なサウンドと高域のリニアリティを両立させた2way。フルレンジにツィーターを追加するときはツィーターだけにコンデンサーを入れて簡易的な一次フィルターとするのが定番だが、本機ではそれぞれしっかり落としてクロスさせる。ツイーターはコスト重視だとFT17Hだが、今回はクロスポイントを落とした2wayであり、よりしなやかなサウンドを狙ってドームツィーターで行きたい。そうなるとフォステクスではFT28Dしかないのだが、93dBのFF225WKに対してFT28Dは90dBしかない。苦肉の策でFF225WKにアッテネーターを入れて約3.3dB落とす。最終的に微調整でFT28Dにも1.5Ωを入れているので迷走感があるが、この1.5Ωは外してもよく、その場合は少しハイ上がり気味になり、それはそれで面白い。好みによって、2.0Ωくらいまでの範囲で試してみると良い。なおフォステクスにこだわらなければいくらでも候補はあるが、その場合はネットワークは当然見直しが必要になる。
エンクロージャーはサブロク1枚におさまる範囲でできるだけ大きく作る。実効内容積は30.4リットル。共振は低くとって「いかにもバスレフ」といった雰囲気をなるべく出さない方針で小さめのP49Pをそのままの長さで使い、共振周波数は約35Hz。FF225WKの標準箱は28リットルの39Hzなので、似たような方向性だ。共振周波数は50Hzほどにすると低域特性はよりフラットになるが、f3(-3dB) = 56Hz くらいの特性になる。今回のチューニングだと47Hz以下ではフラットなチューニングよりも音圧は高くなる。使用するダクトをP76Pに変更するだけでフラット傾向の特性になるので、そちらがお好みの場合はそれでも良い。P76Pを使う場合も長さは114mmのままで良い。
吸音材は底面にニードルフェルト(50kg/m^3程度のもの)、背面はウールやポリエステル系の比較的低密度(10kg/m^3程度)のものを20mm厚くらいで、最大で全面に使用。場合によっては半分くらいまで減らす方向から倍くらいまで増やす方向まであり得る。お好みや部屋の状態に合わせて調整できるのが自作ならではの醍醐味でもある。縦方向の定在波が気になるときは側板の補強桟を利用してここにも低密度の吸音材を設置する。
ネットワークは初心者向けとしては少し難しくなってしまったが、このくらい丁寧に組まないとこのコンビはなかなか合わない。逆に言えば本来はあまり合わないユニットどうしなのだ。このエンクロージャーそのものではなく、Fostex BK225WB2の上にFT28Dを設置してこのネットワークで聴いてみたところ、なかなか良くまとまっていた。狙い通り、フルレンジとしての軽快さを保ちつつも高域はFT28Dが効いて美しい。フルレンジの良さに惹かれつつも、そこまで先鋭的な表現を求めないユーザーにはおすすめのシステムだ。



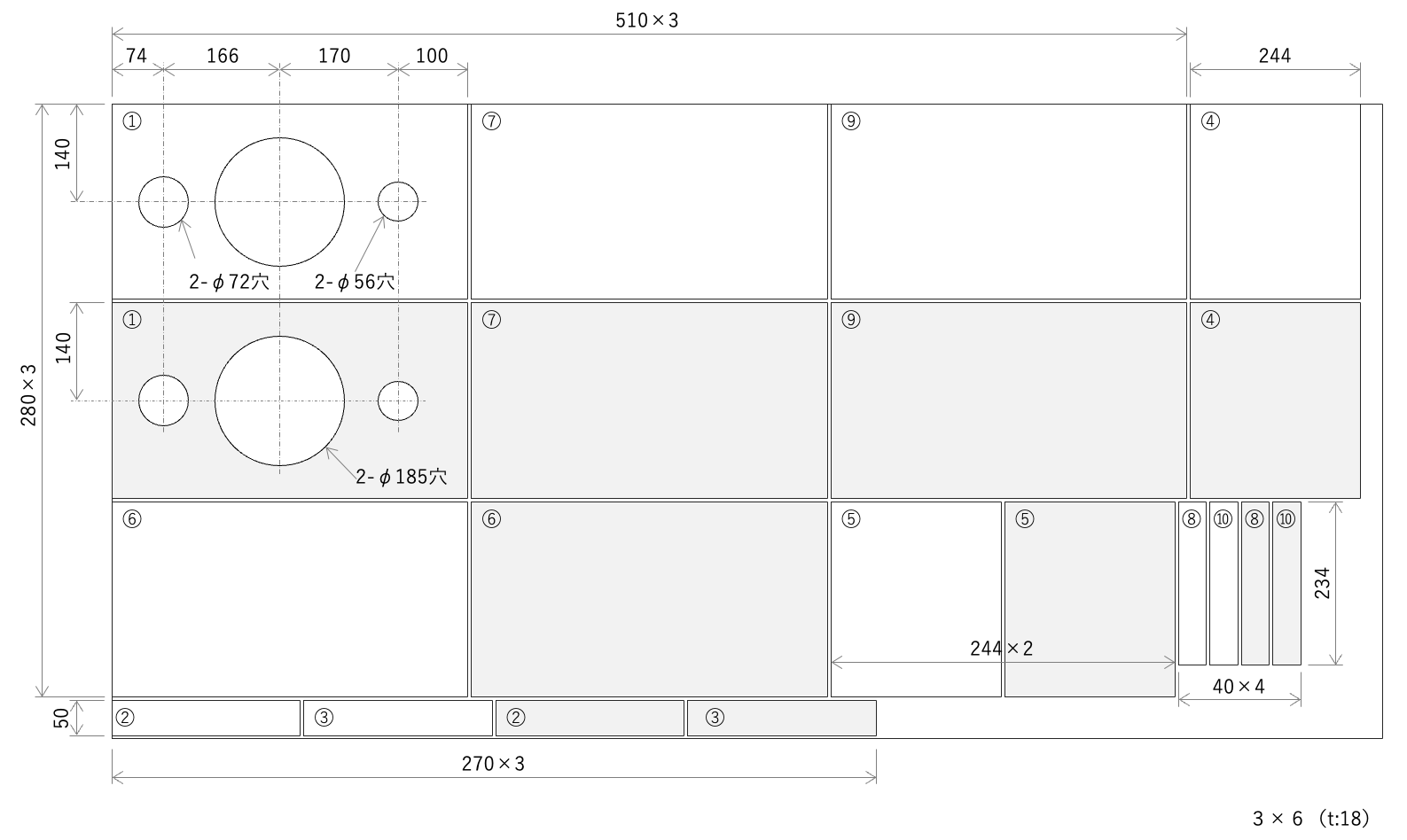
主要材料
- 使用ユニット・・・フォステクス FF225WK(×2), フォステクス FT28D(×2)
- 合板またはMDF(910mm×1820mm×t:15mm)・・・ 1枚
- ダクト・・・フォステクス P76P(×1ペア)
- コンデンサー・・・4.7μF(×2), 6.8μF(×2)
- コイル・・・0.47mH(×2), 1.2mH(×2)
- 抵抗・・・1.5Ω(×2), 2.7Ω(×2), 20Ω(×2)
- その他・・・ターミナル(使用するものに合わせて背板を加工), 配線材, 吸音材, 接着剤
*図面については細心の注意を払って作成していますが、完全に誤りがないとは申し上げられません。実際に製作される際には十分ご確認の上、自己責任にてお願いします。ただし、できる限りのサポートはしますので、ご連絡をいただけますと幸いです。
*本作品は設計のみで、未製作ですが類似モデルを製作し確認済です。
*本作品は一般の方が製作することを前提にしています。弊社で特注製作する場合は一部設計を変更します。
*図面の利用は個人のご利用に限ります。商用利用は禁止です。
*図面のご利用に関するご相談、製作に関するご相談はこちらからお気軽にどうぞ。